Thiết bị sản xuất vải không dệt Spunbond & Needle-Punched
Giải pháp tiên tiến cho ngành vải kỹ thuật và công nghiệp
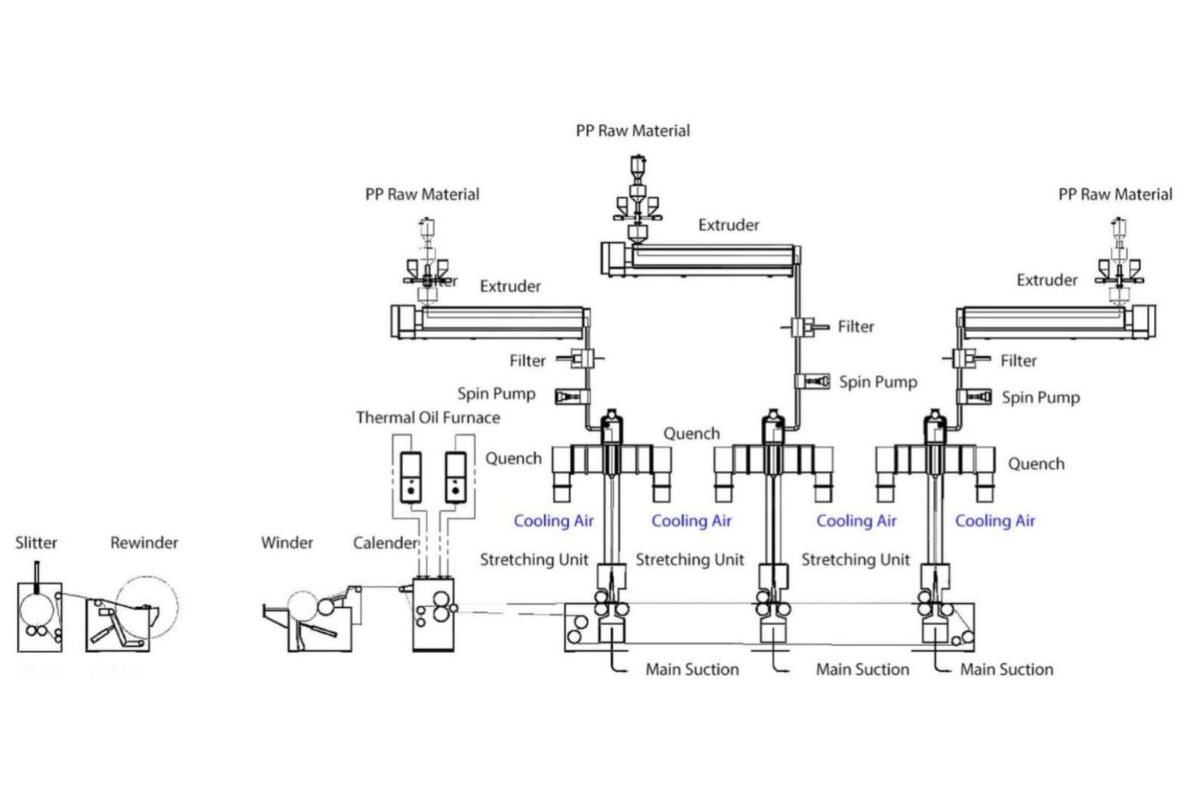
Dây chuyền sản xuất vải không dệt Spunbond kết hợp Needle Punched được thiết kế nhằm tạo ra những sản phẩm vải có độ bền cao, độ đồng đều vượt trội và thân thiện với môi trường. Hệ thống hoạt động tự động hóa, phù hợp cho sản xuất quy mô lớn với hiệu suất ổn định.
Công nghệ Spunbond & Needle Punched là gì?
-
Spunbond: Tạo màng sợi liên tục từ hạt nhựa (PET/PP/PLA), sau đó liên kết bằng nhiệt hoặc cơ học.
-
Needle Punched: Dùng hệ thống kim chuyên dụng đâm xuyên, liên kết sợi cơ học, giúp vải chắc chắn và ổn định mà không cần hóa chất.
Sự kết hợp này mang lại vải kỹ thuật chất lượng cao phục vụ nhiều lĩnh vực khác nhau.
Đặc điểm nổi bật của thiết bị
-
Tự động hóa cao, dễ vận hành và bảo trì.
-
Năng suất lớn, tiết kiệm điện năng.
-
Có thể sản xuất vải từ 60 – 800 g/m².
-
Hệ thống kim đa dạng, tùy chỉnh theo nhu cầu.
-
Độ đồng đều bề mặt vải cao, ít lỗi kỹ thuật.
Ứng dụng của vải Needle Punched Spunbond
-
Lọc (Filtration): lọc khí, lọc chất lỏng.
-
Địa kỹ thuật (Geotextiles): vải lót nền đường, đập, công trình thủy lợi.
-
Ô tô & Xây dựng: cách âm, cách nhiệt, lớp lót.
-
Đồ gia dụng & Nội thất: thảm, nệm, vật liệu trang trí.
Vì sao chọn Jeremiah Vietnam?
-
Kinh nghiệm & chuyên môn trong sản xuất và cung cấp máy móc vải không dệt.
-
Giải pháp tùy chỉnh theo yêu cầu của khách hàng.
-
Dịch vụ hậu mãi chu đáo: lắp đặt, đào tạo, bảo trì.
-
Cam kết mang lại giải pháp bền vững và hiệu quả kinh tế cho doanh nghiệp.
👉 Liên hệ ngay để nhận báo giá & catalog chi tiết.
liên hệ ngay
English