Dây chuyền sản xuất vải không dệt SMMS
Giới thiệu
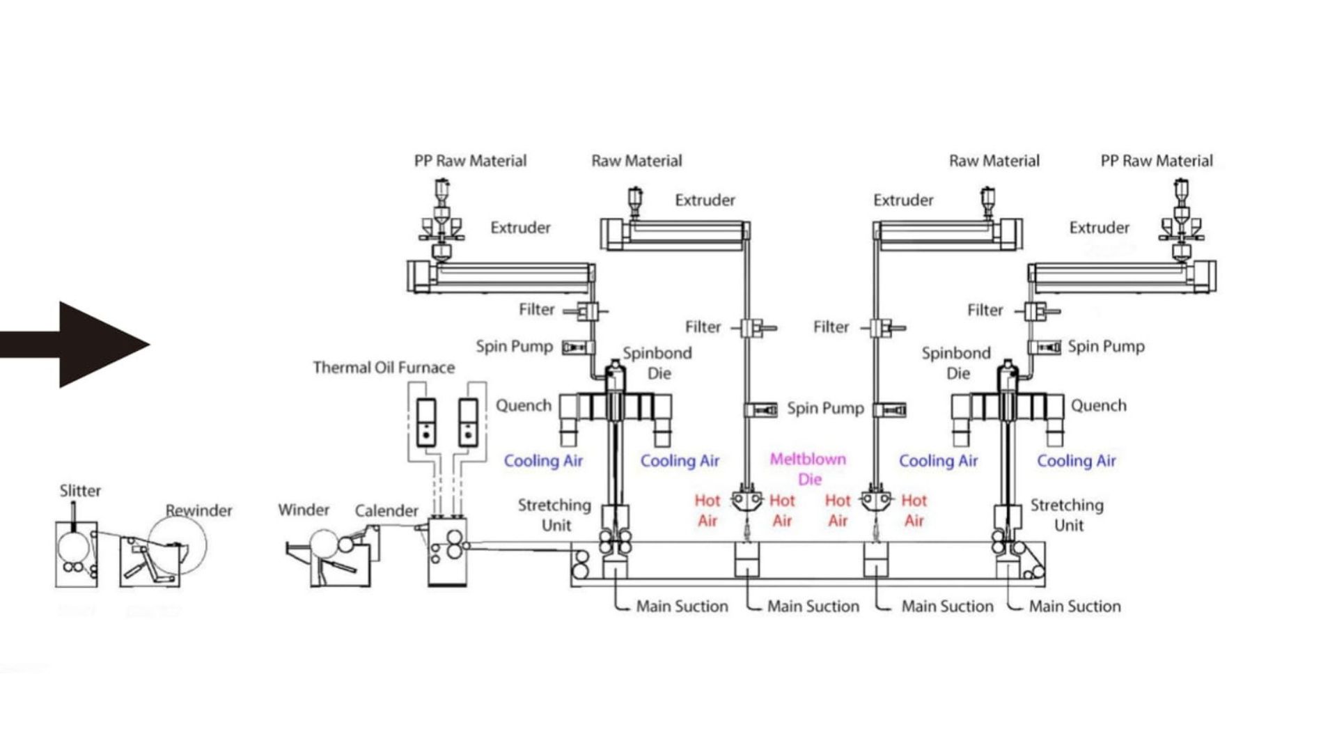
Dây chuyền SMMS (Spunbond – Meltblown – Meltblown – Spunbond) là hệ thống sản xuất vải không dệt cấu trúc bốn lớp, tích hợp hai lớp Meltblown giữa hai lớp Spunbond. So với SMS, SMMS cho khả năng kháng nước, kháng vi khuẩn và độ bền cao hơn, phù hợp cho các sản phẩm y tế cao cấp, vật liệu lọc và ứng dụng bảo vệ chuyên sâu.
Đặc điểm kỹ thuật nổi bật
-
Cấu trúc lớp: S + M + M + S — tăng hiệu quả lọc và bảo vệ so với cấu trúc ba lớp SMS
-
Dải trọng lượng (GSM) linh hoạt, từ khoảng 8 – 80 g/m² hoặc cao hơn tùy theo cấu hình máy
-
Chiều rộng máy thường có các lựa chọn: 1600 mm / 2400 mm / 3200 mm (và có thể mở rộng)
-
Tốc độ máy cao, ổn định — đạt đến ~550 m/phút trong một số cấu hình
-
Quy trình tự động cao: kiểm soát PLC, giám sát thông số thời gian thực cho nhiệt độ, áp suất, dòng chảy, v.v.
-
Tiết kiệm năng lượng và môi trường: sử dụng năng lượng hiệu quả, ít chất thải, thân thiện môi trường
Ứng dụng chính
-
Sản phẩm y tế cao cấp: áo phẫu thuật, vải cách ly, vải quấn tiệt trùng
-
Vật liệu lọc & bảo vệ: khẩu trang chuyên dụng, màng lọc không khí, lọc chất lỏng
-
Vật liệu vệ sinh cao cấp: tã cao cấp, miếng lót người lớn, khăn ướt chức năng
-
Ứng dụng môi trường và công nghiệp: lớp chắn, vật liệu cấp độ cao trong xây dựng, bảo vệ bề mặt
Ưu điểm nổi bật
-
Hiệu quả lọc và bảo vệ vượt trội nhờ hai lớp Meltblown
-
Độ bền, ổn định cơ học tốt hơn so với cấu trúc ba lớp
-
Khả năng đa dạng hóa sản phẩm, phục vụ các yêu cầu kỹ thuật cao
-
Hoạt động tự động cao giảm nhân công và sai sót
-
Có thể tùy chỉnh cấu hình theo nhu cầu khách hàng
Liên hệ / Call to Action
👉 Liên hệ Jeremiah Vietnam ngay để được tư vấn cấu hình SMMS tối ưu, xem mẫu thực tế và nhận báo giá nhanh chóng!
liên hệ ngay
English